您现在的位置:
首页
>
政府信息公开
>
法定主动公开内容
>
资金信息
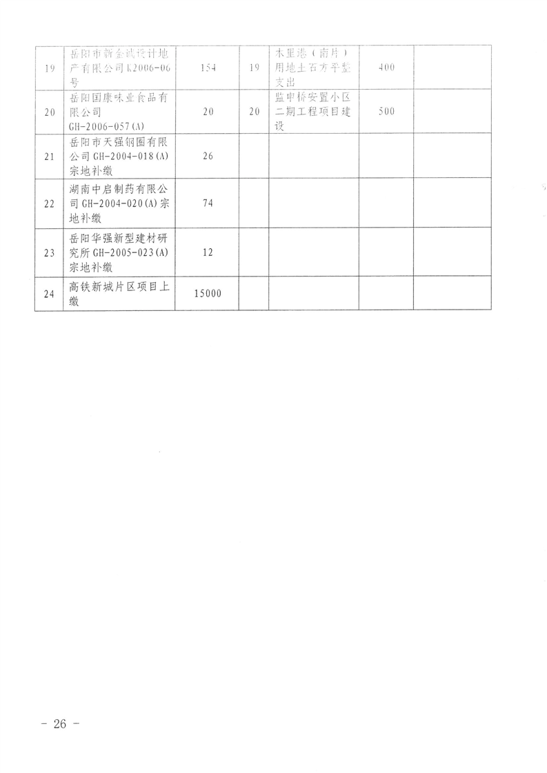
关于印发《岳阳经济技术开发区2020年财政预算调整和财政决算方案》的通知
来源:省政府网站
日期:2021-05-17
浏览量:
1
|
|
|
|