2011年11月,经市人民政府第64次常务会议研究决定,授予我区市级行政审批权事项52项,其中,行政许可事项42项、非行政许可事项10项。
附件:
1、岳阳经济技术开发区行政审批权力清单
2、《岳阳市人民政府关于授予岳阳经济技术开发区市级审批权限的决定》(岳政发〔2011〕20号)
2015年10月30日
| 岳阳经济技术开发区行政审批权力清单 |
|||||
| (52项) |
|||||
| 序号 |
项目名称 |
实施机关 |
设立依据 |
备 注 |
|
| 1 |
工程建设项目招标方式、招标组织形式和招标范围核准 |
区改革和产业 |
《中华人民共和国招标投标法》、《中华人民共和国招标投标法实施条例》(国务院令第613号)、《岳阳市人民政府关于授予岳阳经济技术开发区市级审批权限的决定》(岳政发〔2011〕20号) |
|
|
| 2 |
经济适用房建设投资计划核准 |
《岳阳市人民政府关于授予岳阳经济技术开发区市级审批权限的决定》岳政发〔2011〕20号) |
|||
| 3 |
权限内重大和限制类企业投资项目核准 |
《国务院关于投资体制改革的决定》(国发〔2004〕20号)、《岳阳市人民政府关于授予岳阳经济技术开发区市级审批权限的决定》岳政发〔2011〕20号) |
|
||
| 4 |
外商投资项目核准 |
《岳阳市人民政府关于授予岳阳经济技术开发区市级审批权限的决定》(岳政发〔2011〕20号) |
|
||
| 5 |
政府出资的投资项目(项目建议书、可行性研究报告或资金申请报告)的审批 |
非行政许可项目 |
|||
| 6 |
信息安全工程和用财政性资金建设的信息工程项目审核 |
《湖南省信息化条例》、《岳阳市人民政府关于授予岳阳经济技术开发区市级审批权限的决定》(岳政发〔2011〕20号) |
|
||
| 7 |
行政事业单位账户设立审批 |
区财政局 |
《岳阳市人民政府关于授予岳阳经济技术开发区市级审批权限的决定》(岳政发〔2011〕20号) |
非行政许可项目 |
|
| 8 |
排污费减免、缓交申请审批 |
区财政局、物价分局、环保分局(排污费缓交申请由环保分局审批) |
《岳阳市人民政府关于授予岳阳经济技术开发区市级审批权限的决定》(岳政发〔2011〕20号) |
非行政许可项目 |
|
| 9 |
设立人才中介服务机构及其业务范围审批 |
区劳动和社会保障局、人事局 |
《岳阳市人民政府关于授予岳阳经济技术开发区市级审批权限的决定》(岳政发〔2011〕20号) |
|
|
| 10 |
特殊工时制度审批 |
区劳动和社会 |
《岳阳市人民政府关于授予岳阳经济技术开发区市级审批权限的决定》(岳政发〔2011〕20号) |
|
|
| 11 |
企业职工退休审批(特殊工种、病退、工残除外) |
非行政许可项目 |
|||
| 12 |
临时用地许可 |
区国土分局 |
《岳阳市人民政府关于授予岳阳经济技术开发区市级审批权限的决定》(岳政发〔2011〕20号) |
|
|
| 13 |
划拨土地使用权和地上建筑物、其他附着物转让、出租、抵押审批 |
||||
| 14 |
供地许可 |
||||
| 15 |
土地使用权改变用途许可 |
||||
| 16 |
出让土地使用权及续期许可 |
||||
| 17 |
划拨土地使用权转让许可 |
||||
| 18 |
集体建设用地许可 |
||||
| 19 |
农用地转用及土地征收审查 |
非行政许可项目 |
|||
| 20 |
建设项目用地预审 |
||||
| 21 |
建设工程初步设计审批 |
区建设交通局 |
《岳阳市人民政府关于授予岳阳经济技术开发区市级审批权限的决定》(岳政发〔2011〕20号) |
|
|
| 22 |
临时占用街道两侧和公共场地许可(市管道路除外) |
区城市管理 |
《岳阳市人民政府关于授予岳阳经济技术开发区市级审批权限的决定》(岳政发〔2011〕20号) |
|
|
| 23 |
临时占用、挖掘城市道路审批(市管道路除外) |
||||
| 24 |
城市生活垃圾经营性清扫、收集、运输、处理服务审批 |
区城市管理 |
《岳阳市人民政府关于授予岳阳经济技术开发区市级审批权限的决定》(岳政发〔2011〕20号) |
|
|
| 25 |
临时占用城市绿地审批(市管道路除外) |
|
|||
| 26 |
砍伐、修剪城市树木审批(市管道路除外) |
||||
| 27 |
入河湖排污口的设置和扩大审核 |
区农村工作部 |
《岳阳市人民政府关于授予岳阳经济技术开发区市级审批权限的决定》(岳政发〔2011〕20号) |
|
|
| 28 |
取水许可(日取水量3千立方以下) |
||||
| 29 |
占用农业灌溉水源、灌排工程设施审批 |
||||
| 30 |
占用农用地的建设项目农业环境保护方案审批 |
区农村工作部 |
|||
| 31 |
在农用地集中处置或者堆放固体废弃物审核 |
||||
| 32 |
征用蔬菜基地审批 |
||||
| 33 |
建设工程临时占用林地审批 |
区农村工作部 |
|||
| 34 |
1亿美元以下外商投资企业设立、变更审批 |
区招商合作局 |
《岳阳市人民政府关于授予岳阳经济技术开发区市级审批权限的决定》(岳政发〔2011〕20号) |
|
|
| 35 |
酒类批发许可证核发 |
区改革和产业发展局(商务局) |
|||
| 36 |
建设项目环境影响报告书(表)审批(含建设项目发生重大变化和超过5年期开工建设的重新审批) |
区环保分局 |
《岳阳市人民政府关于授予岳阳经济技术开发区市级审批权限的决定》(岳政发〔2011〕20号) |
|
|
| 37 |
建设项目环境保护设施验收 |
||||
| 38 |
排污申报登记和排污变更申报登记 |
||||
| 39 |
排污许可证(大气、水)核发(权限内) |
||||
| 40 |
环境保护拨款、贷款贴息项目竣工验收(权限内) |
||||
| 41 |
限期治理项目验收(权限内) |
||||
| 42 |
企业核准登记(含企业集团核准登记和企业名称预核准,但外资企业、股份公司除外) |
区工商分局 |
《岳阳市人民政府关于授予岳阳经济技术开发区市级审批权限的决定》(岳政发〔2011〕20号) |
|
|
| 43 |
户外广告登记 |
区工商分局 |
《岳阳市人民政府关于授予岳阳经济技术开发区市级审批权限的决定》(岳政发〔2011〕20号) |
|
|
| 44 |
《食品流通许可证》核发 |
||||
| 45 |
企业在缴纳所得税税前扣除财产损失审批 |
区地税局 |
《岳阳市人民政府关于授予岳阳经济技术开发区市级审批权限的决定》(岳政发〔2011〕20号) |
非行政许可项目 |
|
| 46 |
企业所得税减免税审批(权限内) |
||||
| 47 |
纳税人出售普通标准住宅增值额未超过应扣除余额之和20%或者城市规划自行出售房地产免征土地增值税审批 |
||||
| 48 |
城镇土地使用税困难减免审批(年纳税额在5万以下企业) |
||||
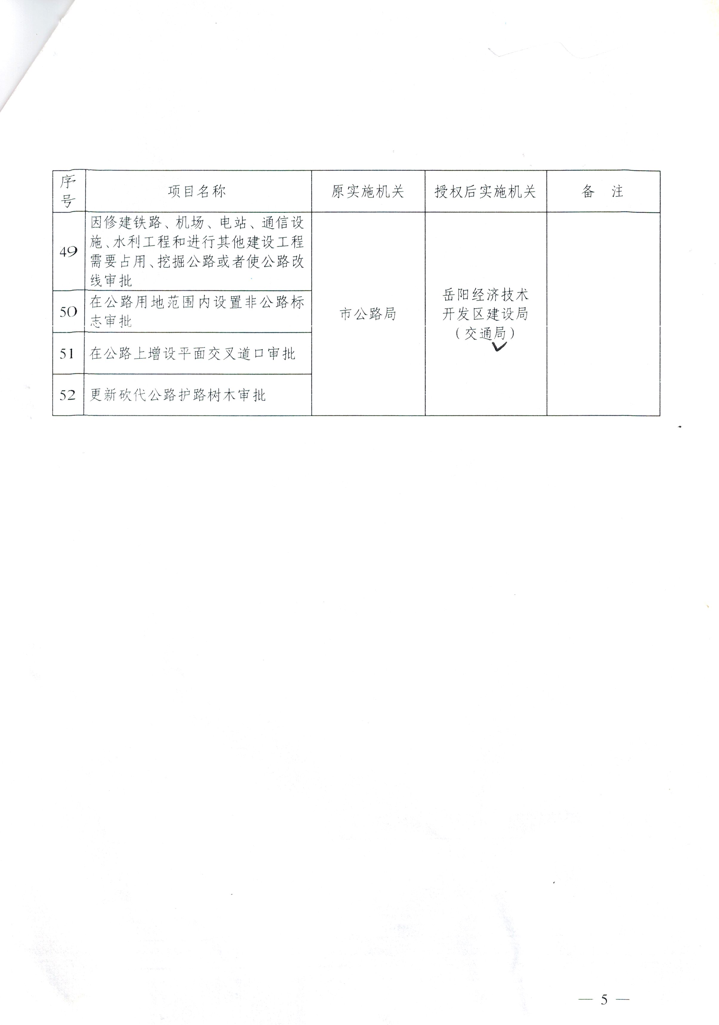
| 49 |
因修建铁路、机场、电站、通信设施、水利工程和进行其他建设工程需要占用、挖掘公路或者使公路改线审批 |
区建设交通局 |
《岳阳市人民政府关于授予岳阳经济技术开发区市级审批权限的决定》(岳政发〔2011〕20号) |
|
|
| 50 |
在公路用地范围内设置非公路标志审批 |
||||
| 51 |
在公路上增设平面交叉道口审批 |
||||
| 52 |
更新砍代公路护路树木审批 |
||||





